Paslėpiami vyriai ANSELMI AN 108 3D SC45
€211,00
Aprašymas
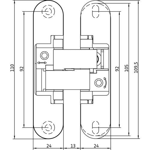
Paslėpiami (uždarius duris nematomi) vyriai ANSELMI AN 108 3D SC45 su integruota savaiminio pritraukimo ir švelnaus uždarymo sistema skirti vidaus patalpų medinėms durims be užlaidos su medine stakta. Vienoms durims pakanka vieno šio modelio vyrio, kuris montuojamas apytiksliai spynos aukštyje, kiti vyriai gali būti 505/506/580 modelio. Su vyriais rekomenduojama naudoti magnetinę spyną. Vyriai leidžia duris atverti 180 laipsnių kampu. Vyriai skirti durims iki 45kg. Universalūs, nekryptiniai. Vyris turi apsauga nuo montavimo putų. Dekoratyviniais dangteliais paslėpiami montavimo medvaržčiai. Vyriai pagaminti iš cinko lydinio ZAMAK. Vyrio aukštis 110mm, plotis 24mm. Vyriai reguliuojami trimis kryptimis (nepriklausomai viena nuo kitos) Reguliavimas: vertikaliai +/-2,5mm, horizontaliai +/-1,5mm, į gylį +/-1mm. Vyriai testuoti su varčia 900x2100mm.
Papildoma informacija
| Padengimas | Chromas poliruotas, Chromas matinis, Nikelis matinis, Žalvaris poliruotas (Auksas), Bronza, Balta, Juoda |
|---|---|
| Gamintojas | |
| Kilmės šalis | |
| Ar turime vietoje? | Užsakoma prekė |
| Tipas |














